Tab Tab Male PCB الذكور
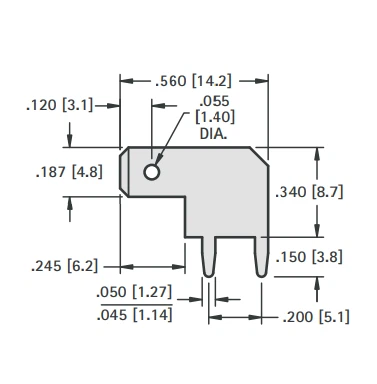
تم تصميم محطة Tab Soldering الذكور على شكل حرف L بمنحنى الزاوية اليمنى ، مما يجعلها بسيطة ولكنها وظيفية للغاية. في الأسفل ، يحتوي على دبابيس متوازية تتناسب بشكل آمن في ثقوب ثنائي الفينيل متعدد الكلور ، مما يخلق اتصالًا مستقرًا وموثوقًا. يضمن هذا التصميم أن تظل محطة Tab Soldering Tab Soldering Soldering في مكانها ، حتى أثناء العمليات الصعبة ، مما يجعله خيارًا يمكن الاعتماد عليه لمختلف التطبيقات.
في الجزء العلوي من محطة التبويب الذكور من الذكور ، هناك ثقب دائري صغير. يتم استخدام هذه الثقب للذنب ، مما يساعد على قفل المحطة في مكانه ويضيف ثباتًا إضافيًا. مصنوعة من النحاس المطلي بالقصدير ، تقدم المحطة الموصلية الممتازة ويقاوم التآكل ، مما يضمن أداء طويل الأمد. يمنحها طلاء القصدير بلمسة فضية لامعة ، والتي لا تبدو احترافية فحسب ، بل تجعل اللحام أسهل وأكثر كفاءة.
تُستخدم محطة علامة تبويب PCB الذكرية بشكل شائع في الأجهزة الإلكترونية لتوصيل الأسلاك بأجهزة مركبات ثنائي الفينيل متعدد الكلور ، مما يضمن نقل الإشارة السلس والحفاظ على سلامة الدائرة. إنها متعددة الاستخدامات بما يكفي لاستخدامها في مجموعة واسعة من التطبيقات ، من الإلكترونيات اليومية مثل الهواتف الذكية وأجهزة الكمبيوتر المحمولة إلى المعدات الصناعية وأنظمة الاتصالات الأكثر تعقيدًا. إن قدرتها على سد الاتصالات في المساحات الضيقة تجعلها مكونًا موثوقًا للإلكترونيات الحديثة.
بفضل حجمها المدمج وأدائه الذي يمكن الاعتماد عليه ، تعد محطة Tab Soldering Tab من مركبات ثنائي الفينيل متعدد الكلور مفضلة بين المهندسين والمصنعين. إنه سهل الاستخدام وموثوق به للغاية ومثالي للتطبيقات التي تكون فيها المساحة محدودة. سواء كنت تقوم ببناء نموذج أولي أو تعمل على إنتاج واسع النطاق ، فإن محطة Tab Soldering Tab PCB توفر حلاً صلبًا وجديرًا بالثقة لاحتياجات الاتصال الكهربائية.
تصميم المنتج

حول منتجاتنا
|
لون المصنع |
معدن |
|
مادة الاتصال |
القصدير نحاس مطلي |
|
نوع العزل |
غير معزول |
|
المواد (التفاصيل) |
النحاس |
|
زاوية الاتصال |
90 درجة |
|
دبابيس |
2 |
|
متوافق مع ROHS |
نعم |
|
نوع المنتج |
موصل الشفرة |
التعليمات
لمزيد من الأسئلة ، لا تتردد في الاتصال بنا!
الوسم : TAB TAB PCB الذكور ، الصين PCB الذكور لحام التبويب "المصنّعين المحطة ، الموردين ، المصنع
زوج من
TAB PCB محطةفي المادة التالية
علامات تبويب الاتصال السريعة ثنائي الفينيل متعدد الكلورقد يعجبك ايضا
إرسال التحقيق















